Brand: Te-Co

TE-CO 10315 Tapped Hole Location Gages UNF 5/8-18

SKU: TC-10315
MPN: 10315

  • $153.44
    Unit price per 
  • Save $15.93
Shipping calculated at checkout.

Only 0 left!

*Product images may differ from actual purchased item.*
**Please contact Sales@freertool.com for all lead times before placing your order. Once paid for, any cancellations will have a 4% cancellation fee.**


*Please note, there is a $100 minimum for all Te-Co product orders*

Short Description

TE-CO 10315 Tapped Hole Location Gages UNF 5/8-18
**Please contact Sales@freertool.com for all lead times before placing your order. Once paid for, any cancellations will have a 4% cancellation fee.**

Full Description

TE-CO 10315 Tapped Hole Location Gages UNF 5/8-18


Technical Specifications:

  • Material:
    Body: 52100 Steel
    Collar:12L14 Steel
  • Black oxide finish on collar only
  • Two piece construction
  • Use to accurately measure the distance between two tapped holes in a workpiece
  • Shaft size is the same diameter on all gages to simplify calculation of the hole spread
    All diameters are concentric within .0002 T.I.R.
  • English:
    Thread Class: 3A
    Left-hand thread, helicoil, or other non-standard gages quoted upon request
  • Metric:
    Thread Class: 6G
    ISO metric fine pitch thread, left-hand thread, helicoil, or other non-standard gages quoted upon request
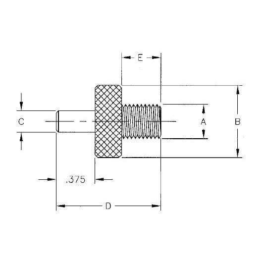
Thread A
5/8-18
Diameter B
0.875 in
Diameter C
0.250 in
D
1.000 in
E
0.375 in
Weight per 100 pcs.
6.00 lb