Brand: FREER NAAMS

NAAMS Shims ACH620 DSCH044-M200

SKU: FN-ACH620
MPN: ACH620, DSCH044-M200

  • $1.46
    Unit price per 
  • Save $0.01
Shipping calculated at checkout.

In-Stock: 1000+

*Product images may differ from actual purchased item.*
**Please contact Sales@freertool.com for all lead times before placing your order. Once paid for, any cancellations will have a 4% cancellation fee.**

*In-Stock NAAMS will ship within 1-5 business days. Otherwise lead times are at least 2-4 weeks.*
**If timing is critical, please call 586-463-3200 to discuss time-frame before placing your order.**


Looking for CAD models?
Request NAAMS CAD Models

Short Description

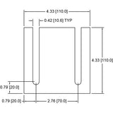
Freer NAAMS ACH620 shims come with a 2-slot construction design with dimensions of 110 x 110 x 2.00mm. It has 10.5mm slots with no coating.

Full Description

FREER NAAMS SHIMS DSCH044-M200

NAAMS CODE: ACH620

Metric thickness shim: 2.00mm

Surface Finish: None