Brand: FREER NAAMS

NAAMS Shims ACH602 DSCH044-M025

SKU: FN-ACH602
MPN: ACH602, DSCH044-M025

  • $1.46
    Unit price per 
  • Save $0.01
Shipping calculated at checkout.

In-Stock: 1000+

*Product images may differ from actual purchased item.*
**Please contact Sales@freertool.com for all lead times before placing your order. Once paid for, any cancellations will have a 4% cancellation fee.**

*In-Stock NAAMS will ship within 1-5 business days. Otherwise lead times are at least 2-4 weeks.*
**If timing is critical, please call 586-463-3200 to discuss time-frame before placing your order.**


Looking for CAD models?
Request NAAMS CAD Models

Short Description

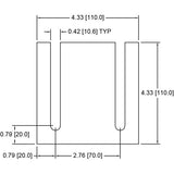
Freer NAAMS ACH602 shims come with a 2-slot construction design with dimensions of 110 x 110 x 0.25mm. It has 10.5mm slots with no coating.

Full Description

FREER NAAMS SHIMS DSCH044-M025

NAAMS CODE: ACH602

Metric thickness shim: 0.25mm

Surface Finish: None