Brand: FREER NAAMS

NAAMS Spacer DSCP085-M340

SKU: FN-DSCP085-M340
MPN: DSCP085-M340, D233009

  • $17.51
    Unit price per 
Shipping calculated at checkout.

*Product images may differ from actual purchased item.*
**Please contact Sales@freertool.com for all lead times before placing your order. Once paid for, any cancellations will have a 4% cancellation fee.**

*In-Stock NAAMS will ship within 1-5 business days. Otherwise lead times are at least 2-4 weeks.*
**If timing is critical, please call 586-463-3200 to discuss time-frame before placing your order.**


Looking for CAD models?
Request NAAMS CAD Models

Short Description

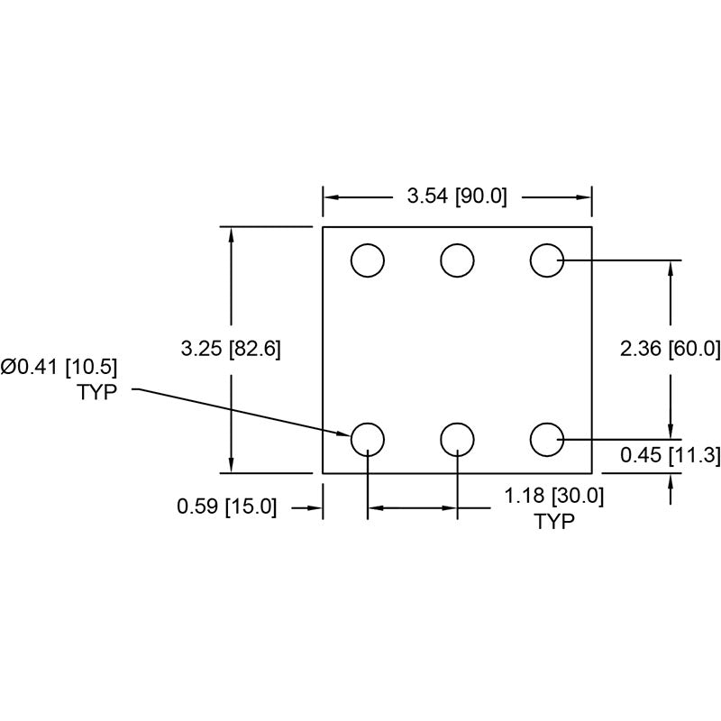
Freer NAAMS spacer. Product number: DSCP085-M340

Looking for quantity discounts? Give us a call at 586-463-3200!


Full Description

FREER NAAMS SPACERS DSCP085-M340

Design: 6-hole, 82.6mm x 30.0mm

Thickness of spacer: 3.40mm

Other part numbers: D233009